全国服务热线:021-59788381

热门关键词:   高低温试验箱
您的位置: 首页 > 新闻中心 > 服务支持 > TH1800系列温湿度仪表简易说明书

咨询热线

021-59788381

TH1800系列温湿度仪表简易说明书

作者:admin时间:2021-07-07 13:52:554050 次浏览

信息摘要:

TH1800系列温湿度仪表简易说明书(上海毅硕实验仪器厂)

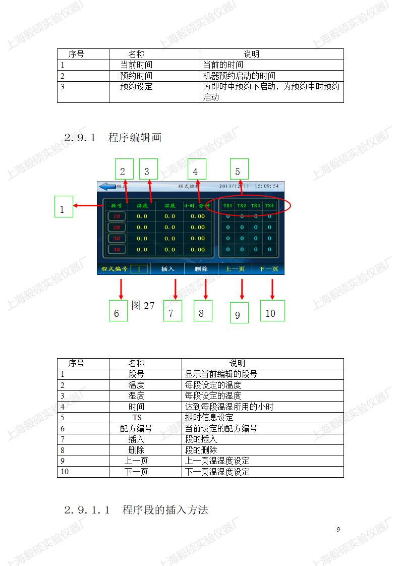
TH1800系列温湿度仪表简易说明书_01.jpg

TH1800系列温湿度仪表简易说明书_02.jpg

TH1800系列温湿度仪表简易说明书_03.jpg

TH1800系列温湿度仪表简易说明书_04.jpg

TH1800系列温湿度仪表简易说明书_05.jpg

TH1800系列温湿度仪表简易说明书_06.jpg

TH1800系列温湿度仪表简易说明书_07.jpg

TH1800系列温湿度仪表简易说明书_08.jpg

TH1800系列温湿度仪表简易说明书_09.jpg

TH1800系列温湿度仪表简易说明书_10.jpg

TH1800系列温湿度仪表简易说明书_11.jpg

TH1800系列温湿度仪表简易说明书_12.jpg

TH1800系列温湿度仪表简易说明书_13.jpg

TH1800系列温湿度仪表简易说明书_14.jpg

TH1800系列温湿度仪表简易说明书_15.jpg

TH1800系列温湿度仪表简易说明书_16.jpg

TH1800系列温湿度仪表简易说明书_17.jpg

Copyright © 2013-2021 上海毅硕试验仪器厂 版权所有 沪ICP备09092247号-2 沪公网安备 31011802001851号 企业照亮 XML地图 技术支持:从信网络

021-59788381